产品中心
+25dBm 1550nm 超高功率蝶形 SOA

半导体光放大器(SOA)系列产品,主要应用于1550nm波长的光放大,能显著提高输出光功率。输入/输出可选单模尾纤,保偏尾纤,连接器类型可定制。自有SOA新品,全工艺自主可控。

宽带放大,高功率输出。

单模版本

保偏版本

产品特点
· 具有高增益、低功耗、低偏振相关损耗、高输出光功率(25dBm)、高消光比等特点。
· 支持温度监测和TEC热电控制,确保全温度工作范围稳定运行。
· 定制化服务:可支持保偏、集成隔离器、集成PD光功率监控等更高集成度的器件订制。
典型应用
· 分布式光纤传感系统中,替代声光调制器产生脉冲光。
· 应用于1550nm固态激光雷达或调频连续波激光雷达中,与窄线宽激光机结合产生脉冲光.
· 宽谱光源中,如光纤光栅的解调仪的宽谱光源。
· 光通信系统中,实现1550波长光信号放大。
产品介绍

半导体光放大器(SOA)系列产品,主要应用于1550nm波长的光放大,能显著提高输出光功率。输入/输出可选单模尾纤,保偏尾纤,连接器类型可定制。自有SOA新品,全工艺自主可控。

宽带放大,高功率输出。

产品型号及主要指标

参数

符号

工作条件

最小值

典型值

最大值

单位

ASE中心波长

λ

If=900mA

-

1460

-

nm

带宽

Δλ

@-3dB

-

70

-

nm

饱和光功率

Psat

If=900mA,λ=1550nm

22

-

25

dBm

饱和光功率(保偏)

Psat

If=900mA,λ=1550nm

20

-

23

dBm

偏振消光比(保偏)

Per

-

20

-

-

dB

小信号增益

G

Pin=-20dBm,λ=1550nm

-

-

35

dB

工作电流

If

-

-

900

1200

mA

噪声系数

NF

-

-

7.5

-

dB

热敏电阻阻值

Rtherm

T=25℃

9.5

10

10.5

热敏电阻电流

Itherm

-

-

-

5

mA

静态消光比

ER1

If=900mA/If=0mA Pin=0dBm

30

-

35

dB

偏振相关增益

PDG

-

-

4

TBD

dB

气密性1


T=25℃

1*10-12

1*10-11

1*10-8

Pa.m3/s

工作温度

TC

I=Iop

-40

-

60

°C

存储温度

Tstg

-

-40

-

85

°C

备注1:气密性数值为管壳封装数值,排除管壳外部残留干扰测试得出。

典型特性


 

 


 

 

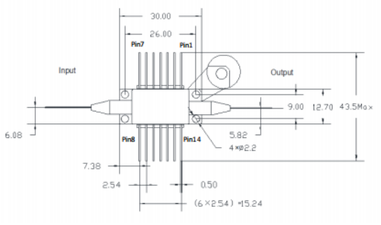
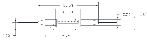
结构尺寸和管脚定义


 

 



订货信息

产品描述

SOA-1550-25-G35-SM-FA

1550nm波段-25dBm饱和输出功率-35dB增益-蝶形封装-单模光纤-FC/APC接头

SOA-1550-25-G35-PM-FA

1550nm波段-25dBm饱和输出功率-35dB增益-蝶形封装-保偏光纤-FC/APC接头



相关产品
在线留言
导航 产品 资料 电话